
Автоматизация отопления
Разработка решений
Подбор автоматики
Монтаж и пусконаладка
Безопасность
Контроль за работой системы отопления и удаленное управление
Экономия
Наиболее экономичная эксплуатация системы отопления без ущерба комфорту.
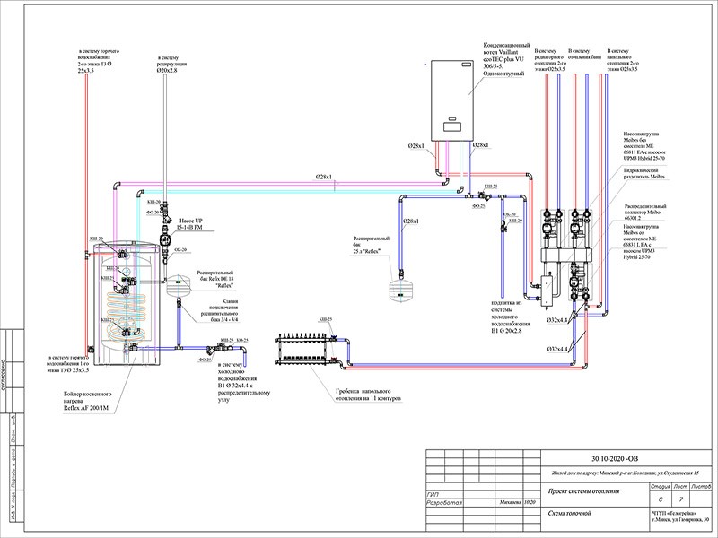
Проектирование котельных для частных домов
Проектирование котельных и систем отопления дома. Тепловые расчеты. Помощь в подборе оборудования и материалов.


